~山口県 宇部市~ 完成見学会

山口県宇部市則貞
2024年06月22日(土)〜2024年06月23日(日) 10:00〜16:00

予約可能日時

2025 12
1 - 2 - 3 - 4 - 5 - 6 -
7 - 8 - 9 - 10 - 11 - 12 - 13 -
14 - 15 - 16 - 17 - 18 - 19 - 20 -
21 - 22 - 23 - 24 - 25 - 26 - 27 -
28 - 29 - 30 - 31 -
:即予約可 残1~6 :即予約可(残りわずか) - :予約不可 × :予約一杯 :要問い合わせ (TEL: 0839410377

※日付を選ぶと予約時刻を選択できるようになります。

見どころ

①木目の勾配天井が広がるロフト付きの平屋。
②壁をOSB合板仕上げに、ヴィンテージ空間のご主人の趣味部屋。
③LDKへ続く廊下の途中にある、魅せる飾り窓。
④ロフトを導く、お洒落な階段手摺。
⑤高級感・利便性を兼ね備えたキッチン『リシェル』
⑥LDKの床を『無垢のナラ材』に。
キッチンには『モルタル調のフロアタイル』を使用し、ナチュラルモダンのテイスト。 etc...

イベントタグ

  • 駐車スペースあり
  • 資さんうどん500円割引券プレゼント
  • QUOカードをプレゼント

マップ

山口県宇部市則貞

大きな地図で見る>>>

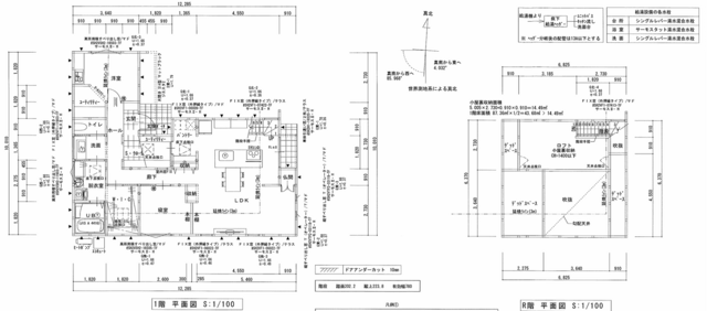
間取り

  • ~山口県 宇部市~ 完成見学会の間取り画像
  • ~山口県 宇部市~ 完成見学会の間取り画像

概要

タイトル ~山口県 宇部市~ 完成見学会
開催日時 2024-06-22 ~ 2024-06-23
10:00〜16:00
開催場所 山口県宇部市則貞
種別 予約制
種類 完成見学会
会社ホームページ http://chuken-web.com/

関連

予約日時を選択してください